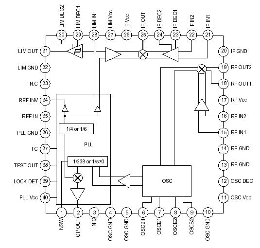
Features: • Includes all functions required for the GPS converter• Total gain: 100 dB or more• Operating supply voltage range: 2.7 to 5.5 V• Low current consumption: ICC = 30 mA (Typ. at VCC = 3 V)• Excellent temperature characteristicsApplication•GPS (Global Po...
CXA1951AQ: Features: • Includes all functions required for the GPS converter• Total gain: 100 dB or more• Operating supply voltage range: 2.7 to 5.5 V• Low current consumption: ICC = 30...
SeekIC Buyer Protection PLUS - newly updated for 2013!
268 Transactions
All payment methods are secure and covered by SeekIC Buyer Protection PLUS.

The CXA1951AQ is an IC developed as a GPS down converter, featuring low current consumption and small package. This IC is suitable for the mobile GPS (Global Positioning System).