Features: • Built-in PLL for controlling oscillator frequency.• Oscillator frequency based at 479.5 MHz is adjustable in ±4 steps of 50 kHz using the voltage of the control pin.• Reference OSC allows switching to 4 MHz or 10 MHz.• Built-in output buffer for reference OSC....
CXA3038N: Features: • Built-in PLL for controlling oscillator frequency.• Oscillator frequency based at 479.5 MHz is adjustable in ±4 steps of 50 kHz using the voltage of the control pin.• R...
SeekIC Buyer Protection PLUS - newly updated for 2013!
268 Transactions
All payment methods are secure and covered by SeekIC Buyer Protection PLUS.

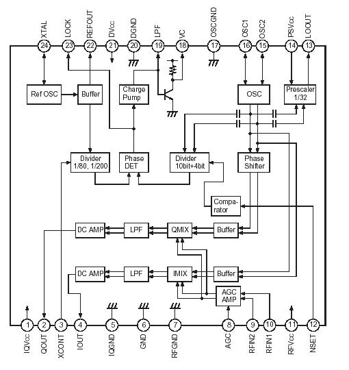
The CXA3038N is an IC for IQ-detection of DSS, DVB, and other digital satellite broadcast QPSK modulation signals in the 480 MHz band. It consists of an AGC amplifier circuit, oscillator circuit, phase shifter circuit, and phase comparison circuit. In addition, the chip CXA3038N has a PLL circuit for frequency control and built-in control data. It realizes highaccuracy oscillator frequencies through use of a lowcost LC resonance circuit.