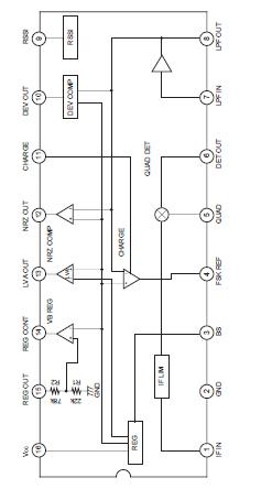
Features: • Low current consumption: 590 A (typ. at VCC = 1.4 V)• Low voltage operation: VCC = 1.1 to 4.0 V• Small package 16-pin SSOP• Needless of IF decoupling capacitor• Reference power supply for operational amplifier and comparator• IF input, VCC standardAp...
CXA3099N: Features: • Low current consumption: 590 A (typ. at VCC = 1.4 V)• Low voltage operation: VCC = 1.1 to 4.0 V• Small package 16-pin SSOP• Needless of IF decoupling capacitor...
SeekIC Buyer Protection PLUS - newly updated for 2013!
268 Transactions
All payment methods are secure and covered by SeekIC Buyer Protection PLUS.

The CXA3099N is a low current consumption FM IF amplifier which employs the newest bipolar process. It is suitable for M-ary FSK pagers.