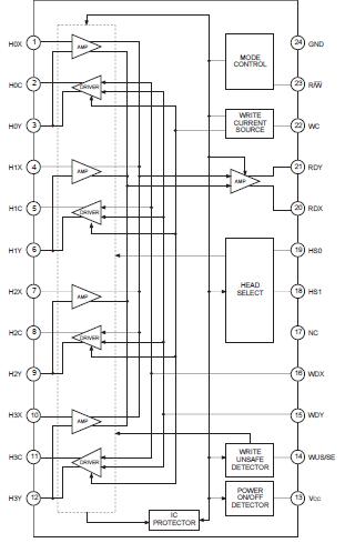
Features: • Operate on single +5 V power supply• Low power consumption Read : 95 mW Write : 115 mW + IW* 5• Designed for special three terminal MIG heads• Read amplifier emitter follower output featuring 420 times gain (typ).• Differential input capacitance for Read :...
CXA3171N: Features: • Operate on single +5 V power supply• Low power consumption Read : 95 mW Write : 115 mW + IW* 5• Designed for special three terminal MIG heads• Read amplifier emit...
SeekIC Buyer Protection PLUS - newly updated for 2013!
268 Transactions
All payment methods are secure and covered by SeekIC Buyer Protection PLUS.

The CXA3171N is a Read/Write Amplifier for the special three terminal MIG head of hard disk drive and designed to handle up to 4 channel heads.