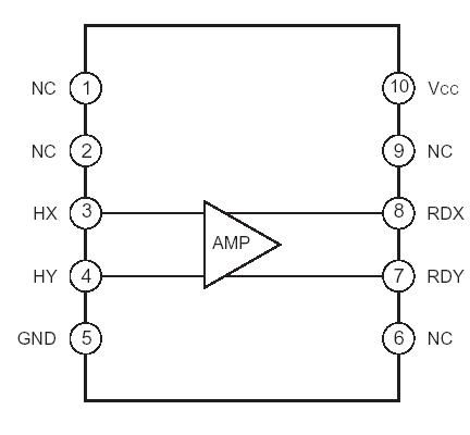
Features: • Operate on single +3.3 V power supply• Low power consumption Read : 58 mW• Ultra small package• Wideband (3 dB) : 160 MHz (typ)• Read amplifier emitter follower output featuring 380 times gain (typ).• Low input capacitance : 3.0 pF• Low input n...
CXA3299TN: Features: • Operate on single +3.3 V power supply• Low power consumption Read : 58 mW• Ultra small package• Wideband (3 dB) : 160 MHz (typ)• Read amplifier emitter foll...
SeekIC Buyer Protection PLUS - newly updated for 2013!
268 Transactions
All payment methods are secure and covered by SeekIC Buyer Protection PLUS.
