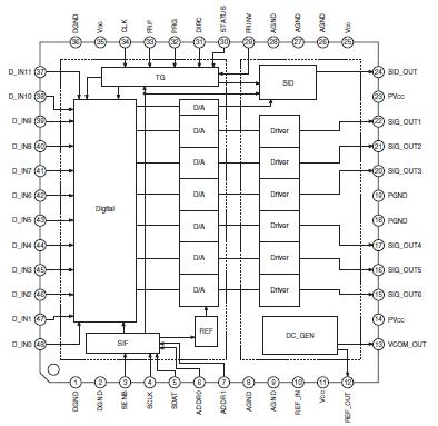
Features: • Supports 12-bit input• Low output deviation• Various adjustment functions using a 3-wire serial interface• Supports signals up to XGA• Supports dot and line inversion• VCOM voltage generation circuit• Precharge pulse waveform generation circuit...
CXA7004R: Features: • Supports 12-bit input• Low output deviation• Various adjustment functions using a 3-wire serial interface• Supports signals up to XGA• Supports dot and line...
SeekIC Buyer Protection PLUS - newly updated for 2013!
268 Transactions
All payment methods are secure and covered by SeekIC Buyer Protection PLUS.

The CXA7004R is a driver IC developed for use with Sony polycrystalline silicon TFT LCD panels. It supports 12-bit digital input, and the input data is demultiplexed into 6 phases and output. The CXA7004R can directly drive an LCD panel, and the VCOM setting circuit and precharge pulse waveform generator are also on-chip.