Features: Supply• Single: 0V, +5V, +12V• Dual: 0V, 5V, +5V and +12V(Low number of external parts required)Video• 2 scart switching (VCR, TV)• VCR input supports RGB mode• Integrated 75 drivers for direct video connection• Y/C mixer with trap for RF modulators...
CXA7002R: Features: Supply• Single: 0V, +5V, +12V• Dual: 0V, 5V, +5V and +12V(Low number of external parts required)Video• 2 scart switching (VCR, TV)• VCR input supports RGB mode̶...
SeekIC Buyer Protection PLUS - newly updated for 2013!
268 Transactions
All payment methods are secure and covered by SeekIC Buyer Protection PLUS.

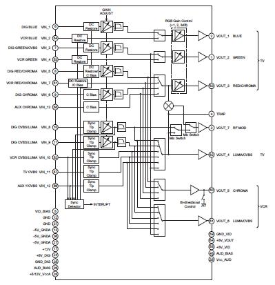
The Sony CXA7002R is an Audio/Video switch designed primarily for application in Digital Set Top Boxes. It provides video and audio routing from the digital encoder source to the TV and VCR scart (peri-television) connectors. In addition, the TV audio output has a programmable volume control. The chip is programmed by means of an I2C interface and can operate from a single or dual power supply.
Target specifications: Canal+, BSkyB, TPS, NorDig,and ECCA Euro-Box