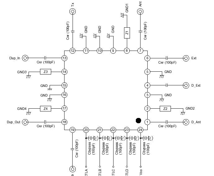
Features: • Low insertion loss: 1.0dB @1.5GHz• High linearity: Harmonic < 65dBc• CMOS compatible input control• Small package: 24-pin VQFN (4.0mm * 4.0mm)Application3 × 5 antenna switch for digital cellular such as PDC handsetsPinoutSpecifications• Bias voltage VD...
CXG1131ER: Features: • Low insertion loss: 1.0dB @1.5GHz• High linearity: Harmonic < 65dBc• CMOS compatible input control• Small package: 24-pin VQFN (4.0mm * 4.0mm)Application3 × 5...
SeekIC Buyer Protection PLUS - newly updated for 2013!
268 Transactions
All payment methods are secure and covered by SeekIC Buyer Protection PLUS.
