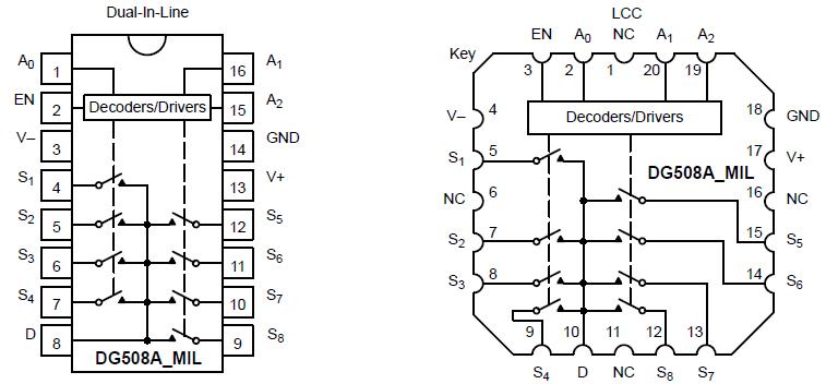
Features: Low On-Resistance: 240 TTL and CMOS Logic Compatible Low Power: 30 mW Break-Before-Make Switching 44-V Power Supply Rating Transition Time: 600 nsPinoutSpecifications Voltage Referenced to VV+ . . . . . . . . . . . . . . . . . . . . . . . . . . . . . . . . . . . . . . . . . . . . . . ...
DG508A_MIL: Features: Low On-Resistance: 240 TTL and CMOS Logic Compatible Low Power: 30 mW Break-Before-Make Switching 44-V Power Supply Rating Transition Time: 600 nsPinoutSpecifications Voltage Referenced...
SeekIC Buyer Protection PLUS - newly updated for 2013!
268 Transactions
All payment methods are secure and covered by SeekIC Buyer Protection PLUS.

Voltage Referenced to V
V+ . . . . . . . . . . . . . . . . . . . . . . . . . . . . . . . . . . . . . . . . . . . . . . . . . . . . . . . . . . . . . . . . . . . . . 44 V
GND . . . . . . . . . . . . . . . . . . . . . . . . . . . . . . . . . . . . . . . . . . . . . . . . . . . . . . . . . . . . . . . . . . . . 25 V
Digital Inputsa, VS, VD . . . . . . . . . . . . . . . . . . . . . . . . . . . . . . . . . . . . . . . . . . . . . . . . . . . . . . (V) 2 V to (V+) +2 V or 20 mA, whichever occurs first
Current (Any Terminal, Except S or D) . . . . . . . . . . . . . . . . . . . . . . . . . . . . . . . . . . . . . . . . . . 30 mA
Continuous Current, S or D . . . . . . . . . . . . . . . . . . . . . . . . . . . . . . . . . . . . . . . . . . . . . . . . . . 20 mA
Peak Current, S or D (Pulsed at 1 ms, 10% Duty Cycle Max) . . . . . . . . . . . . . . . . . . . . . . . . . 40 mA
Storage Temperature (K Suffix) . . . . . . . . . . . . . . . . . . . . . . . . . . . . . . . . . . . . . . . . . . . . . . . 65 to 150
(J and Y Suffix) . . . . . . . . . . . . . . . . . . . . . . . . . . . . . . . . . . . . . . . . . . 65 to 125
Power Dissipation (Package)b
16-Pin CerDIPc . . . . . . . . . . . . . . . . . . . . . . . . . . . . . . . . . . . . . . . . . . . . . . . . . . . . . . . . . . . . 900 mW
LCC-20c . . . . . . . . . . . . . . . . . . . . . . . . . . . . . . . . . . . . . . . . . . . . . . . . . . . . . . . . . . . . . . . . . 900 mW
Notes:
a. Signals on SX, DX or INX exceeding V+ or V will be clamped by internal diodes. Limit forward diode current to maximum current ratings.
b. All leads soldered or welded to PC board.
c. Derate 12 mW/ above 75.