Features: · Small Size and Low Profile· Industry Standard SOIC8 SMT Plastic Package· Excellent Insertion Loss 0.6 dB Typical· Superior Repeatability· Low Cost· CSM, AMPS, CDPD, ARDIS, RAM FrequencyCoveragePinoutSpecifications Parameter Absolute Maximum Input Power2Operating Temperature ...
DS53-0001: Features: · Small Size and Low Profile· Industry Standard SOIC8 SMT Plastic Package· Excellent Insertion Loss 0.6 dB Typical· Superior Repeatability· Low Cost· CSM, AMPS, CDPD, ARDIS, RAM FrequencyC...
SeekIC Buyer Protection PLUS - newly updated for 2013!
268 Transactions
All payment methods are secure and covered by SeekIC Buyer Protection PLUS.
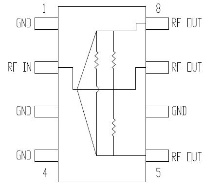
PinoutDescriptionThe DS53-0001TR is designed as an IC-based monolithic power divider in a low cost...

| Parameter | Absolute Maximum |
| Input Power2 Operating Temperature Storage Temperature |
1 W CW -40°C to +85°C -65°C to +150°C |
M/A-COM's DS53-0001 is an IC-based monolithic power divider in a low cost SOIC-8 plastic package. This 3-way power divider is ideally suited for applications where small size, low profile and low cost without sacrificing Performance ,are required. Typical applications include Base stations, portables and PCMCIA cards for cellular Applications. Available in Tape and Reel.
The DS53-0001 is fabricated using a passive-integrated circuit process. The process features full-chip passivation for increased performance and reliability.