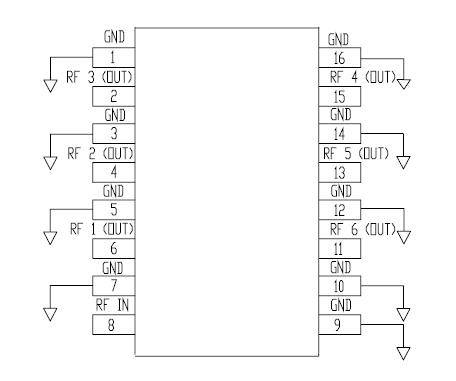
Features: • Small Size, Low Profile• Superior Repeatability (Lot-to-lot Variation)• Industry Standard SOIC-16 SMT Plastic Package• Typical Isolation 25dB• Typical Insertion Loss 0.8dB• Low CostPinoutSpecifications Parameter Absolute Maximum Input Powe...
DS56-0005: Features: • Small Size, Low Profile• Superior Repeatability (Lot-to-lot Variation)• Industry Standard SOIC-16 SMT Plastic Package• Typical Isolation 25dB• Typical Inser...
SeekIC Buyer Protection PLUS - newly updated for 2013!
268 Transactions
All payment methods are secure and covered by SeekIC Buyer Protection PLUS.

| Parameter | Absolute Maximum |
| Input Power2 Operating Temperature Storage Temperature |
1 W CW -40°C to +85°C -65°C to +150°C |
M/A-COM's DS56-0005 is an IC-based monolithic power divider in a low cost SOIC-16 plastic package. This 6-way power divider is ideally suited for applications where PCB real estate is at a premium and part count reduction and cost are critical. Typical applications include base station switching networks and other cellular equipment, including subscriber units. Available in Tape and Reel.
The DS56-0005 is fabricated using a passive-integrated circuit process. The process features full-chip passivation for increased performance and reliabilty.