Features: Meets TIA/EIA-422-A (RS-422) and CCITT V.11 recommendationLOW POWER design-15 mW typicalGuaranteed AC parameters:- Maximum driver skew 2.0 ns- Maximum receiver skew 4.0 nsExtended temperature range: −40°C to +85°CAvailable in SOIC packagingOperates over 20 MbpsReceiver OPEN input f...
DS89C21: Features: Meets TIA/EIA-422-A (RS-422) and CCITT V.11 recommendationLOW POWER design-15 mW typicalGuaranteed AC parameters:- Maximum driver skew 2.0 ns- Maximum receiver skew 4.0 nsExtended temperat...
SeekIC Buyer Protection PLUS - newly updated for 2013!
268 Transactions
All payment methods are secure and covered by SeekIC Buyer Protection PLUS.

| Drivers | 1 |
| Receivers | 1 |
| SupplyVoltage | 5 Volt |
| Process | CMOS |
| Temperature Min | -40 deg C |
| Temperature Max | 85 deg C |
| View Using Catalog | |
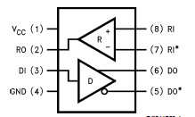
The DS89C21 is a differential CMOS line driver and receiver pair, designed to meet the requirements of TIA/EIA-422-A (RS-422) electrical characteristics interface standard. The DS89C21 provides one driver and one receiver in a minimum footprint. The device is offered in an 8-pin SOIC package. The CMOS design minimizes the supply current to 6 mA, making the device ideal for use in battery powered or power conscious applications.
The DS89C21 driver features a fast transition time specified at 2.2 ns, and a maximum differential skew of 2 ns making the driver ideal for use in high speed applications operating above 10 MHz.
The DS89C21 receiver can detect signals as low as 200 mV, and also incorporates hysteresis for noise rejection. Skew is specified at 4 ns maximum.
The DS89C21 is compatible with TTL and CMOS levels (DI and RO).