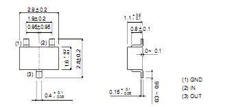
Features: 1) Built-in bias resistors enable the configuration of an inverter circuit without connecting external input resistors (see equivalent circuit).2) The bias resistors consist of thinfilm resistors with complete isola-tion to allow positive biasing of the input. They also have the advantag...
DTA123EKA: Features: 1) Built-in bias resistors enable the configuration of an inverter circuit without connecting external input resistors (see equivalent circuit).2) The bias resistors consist of thinfilm re...
SeekIC Buyer Protection PLUS - newly updated for 2013!
268 Transactions
All payment methods are secure and covered by SeekIC Buyer Protection PLUS.
1) Built-in bias resistors enable the configuration of an inverter circuit without connecting external input resistors (see equivalent circuit).
2) The bias resistors consist of thinfilm resistors with complete isola-tion to allow positive biasing of the input. They also have the advantage of almost completely eliminating parasitic effects.
3) Only the on/ off conditions need to be set for operation, making device design easy.

| Parameter | symbol | limits |
unit |
| Supply voltage | VCC | 50 | V |
| Input voltage | VIN | 12~+10 | V |
| Output current | IO | -100 | mA |
| IC(Max.) | -100 | ||
| Power dissipation | Pd | 200 | mW |
| Junction temperature | Tj | 150 | °C |
| Storage temperature | Tstg | 55~+150 | °C |