Features: ·Complete variable-gain amplifier with output amplifier, requires no extra components·Excellent linearity of 0.2%·70 MHz signal bandwidth·Operates on ±5V to ±15V supplies·All inputs are differential·400V/ms slew rate·70dB attenuation @ 4 MHzApplication·Leveling of varying inputs·Variable...
EL4451C: Features: ·Complete variable-gain amplifier with output amplifier, requires no extra components·Excellent linearity of 0.2%·70 MHz signal bandwidth·Operates on ±5V to ±15V supplies·All inputs are di...
SeekIC Buyer Protection PLUS - newly updated for 2013!
268 Transactions
All payment methods are secure and covered by SeekIC Buyer Protection PLUS.

Va Positive Supply Voltage ...................................16.5V
VS Va to Vb Supply Voltage..................................... 33V
VIN Voltage at any Input or Feedback .............V+ to V-
DVIN Difference between Pairs
of Inputs or Feedback ...............................................6V
IIN Current into any Input, or Feedback Pin ..........4mA
IOUT Continuous Output Current .........................30mA
PD Maximum Power Dissipation................... See Curves
TA Operating Temperature Range ..........-40 to +85
TS Storage Temperature Range ............-60 to +150
Important Note:
All parameters having Min/Max specifications are guaranteed. The Test Level column indicates the specific device testing actually performed during production and Quality inspection. Elantec performs most electrical tests using modern high-speed automatic test equipment, specifically the LTX77 Series system. Unless otherwise noted, all tests are pulsed tests, therefore TJ=TC=TA.
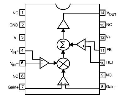
The EL4451C is a complete variable gain circuit. It offers wide bandwidth and excellent linearity while including a powerful output voltage amplifier, drawing modest supply current. The EL4451C operates on ±5V to ±15V supplies and has an analog input range of ±2V, making it ideal for video signal processing. AC characteristics do not change appreciably over the ±5V to ±15V supply range.
The circuit has an operational temperature range of -40 to +85 and is packaged in plastic 14-pin DIP and 14-lead SO.
The EL4451C is fabricated with Elantec's proprietary complementary bipolar process which provides excellent signal symmetry and is free from latch up.