Features: . Complete variable-gain amplifier. complete with output amplifier. Compensated for Gain 10. 50 MHz signal bandwidth. 50 MHz gain-control bandwidth. Low 29 nV/Hz input noise. Operates on ±5V to ±15V supplies. All inputs are differential. >70 dB attenuation @5 MHzApplication. AGC variable...
EL4452C: Features: . Complete variable-gain amplifier. complete with output amplifier. Compensated for Gain 10. 50 MHz signal bandwidth. 50 MHz gain-control bandwidth. Low 29 nV/Hz input noise. Operates on ±...
SeekIC Buyer Protection PLUS - newly updated for 2013!
268 Transactions
All payment methods are secure and covered by SeekIC Buyer Protection PLUS.
. Complete variable-gain amplifier
. complete with output amplifier
. Compensated for Gain 10
. 50 MHz signal bandwidth
. 50 MHz gain-control bandwidth
. Low 29 nV/Hz input noise
. Operates on ±5V to ±15V supplies
. All inputs are differential
. >70 dB attenuation @5 MHz

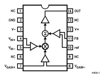
The EL4452 is a complete variable-gain circuit It offers wide bandwidth and excellent linearity while including a powerful output voltage amplifier drawing modest current The higher gain and lower input noise makes the EL4452 ideal for use in AGC systems
The EL4452 operates on ±5V to ±15V and has an analog inputrange of ±05V AC characteristics do not change appreciably over the supply range\
The circuit has an operational temperature of -40to+ 85 and is packaged in 14-pin P-DIP and SO-14
The EL4452 is fabricated with Elantec's proprietary comple- mentary bipolar process which gives excellent signal symmetry and is very rugged