Features: • Fully differential outputs and feedback• Input range ±2.3V typ.• 250MHz 3dB bandwidth• 800V/µs slew rate• Low distortion at 5MHz• Single 5V or dual ±5V supplies• 90mA maximum output current• Low power - 8mA per channel• Pb-Fre...
EL5371: Features: • Fully differential outputs and feedback• Input range ±2.3V typ.• 250MHz 3dB bandwidth• 800V/µs slew rate• Low distortion at 5MHz• Single 5V or d...
SeekIC Buyer Protection PLUS - newly updated for 2013!
268 Transactions
All payment methods are secure and covered by SeekIC Buyer Protection PLUS.

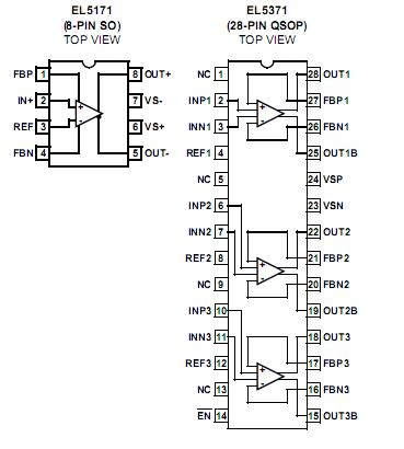
The EL5171 and EL5371 are single and triple bandwidthamplifiers with an output in differential form. They are primarily targeted for applications such as driving twistedpair lines in component video applications. The input signal is single-ended and the outputs are always in differential form.
On the EL5171 and EL5371, two feedback inputs provide the user with the ability to set the gain of each device (stable at minimum gain of one). For a fixed gain of two, please see EL5170 and EL5370.
The output common mode level for each channel is set by the associated VREF pin, which have a -3dB bandwidth of over 50MHz. Generally, these pins are grounded but can be tied to any voltage reference.
All outputs are short circuit protected to withstand temporary overload condition.
The EL5171 and EL5371 are specified for operation over the full -40°C to +85°C temperature range.