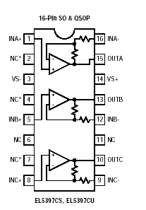
Features: Gain selectable (+1, -1, +2)200MHz -3dB bandwidth (AV = 1,2)4mA supply current (per amplifier)Single and dual supply operation,from 5V to 10VAvailable in 16-pin QSOP packageSingle (EL5197C) available400MHz, 9mA product available(EL5196C, EL5396C)ApplicationBattery-powered EquipmentHand-h...
EL5397C-reliminary: Features: Gain selectable (+1, -1, +2)200MHz -3dB bandwidth (AV = 1,2)4mA supply current (per amplifier)Single and dual supply operation,from 5V to 10VAvailable in 16-pin QSOP packageSingle (EL5197C...
SeekIC Buyer Protection PLUS - newly updated for 2013!
268 Transactions
All payment methods are secure and covered by SeekIC Buyer Protection PLUS.
