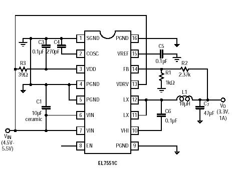
Features: • Integrated synchronous MOSFETs and current mode controller• 1A continuous output current• Up to 95% efficiency• 4.5V to 5.5V input voltage• Adjustable output from 1V to 3.8V• Cycle-by-cycle current limit• Precision reference• ±0.5% load a...
EL7551C: Features: • Integrated synchronous MOSFETs and current mode controller• 1A continuous output current• Up to 95% efficiency• 4.5V to 5.5V input voltage• Adjustable outpu...
SeekIC Buyer Protection PLUS - newly updated for 2013!
268 Transactions
All payment methods are secure and covered by SeekIC Buyer Protection PLUS.
