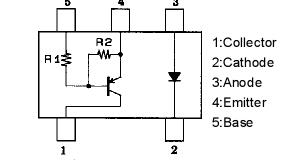
Features: Composed of a Shottky barrier diode and a PNP transistor with built-in resistors, and contained in oneCP package, resulting in greatly improved circuit-board using efficiency.The FC601 is composed of an equivalent chip to the SB007-03CP and an equivalent chip to the RA104C(R1=10k, R2=47k...
FC601: Features: Composed of a Shottky barrier diode and a PNP transistor with built-in resistors, and contained in oneCP package, resulting in greatly improved circuit-board using efficiency.The FC601 is ...
SeekIC Buyer Protection PLUS - newly updated for 2013!
268 Transactions
All payment methods are secure and covered by SeekIC Buyer Protection PLUS.

| Parameter | Symbol | Conditions | Ratings | Unit |
| [TR] | ||||
| Collector-to-Base Voltage | VCBO | 50 | V | |
| Collector-to-Emitter Voltage | VCEO | 50 | V | |
| Emitter-to-Base Voltage | VEBO | 6 | V | |
| Collector Current | IC | 100 | mA | |
| Collector Dissipation | PC | 200 | mW | |
| Junction Temperature | Tj | 150 | C | |
| Storage Temperature | Tstg | 55 to +150 | C | |
| [SBD] | ||||
| Repetitive Peak Reverse Voltage | VRRM | 30 | V | |
| Non-repetitive Peak Reverse Surge Voltage | VRSM | 35 | V | |
| Average Output Current | IO | 70 | mA | |
| Surge Forward Current | IFSM | 50Hz sine wave, 1cycle | 2 | A |
| Junction Temperature | Tj | 55 to +125 | C | |
| Storage Temperature | Tstg | 55 to +125 | C | |