IGBT Transistors HIGH_POWER
SeekIC Buyer Protection PLUS - newly updated for 2013!
268 Transactions
All payment methods are secure and covered by SeekIC Buyer Protection PLUS.
| Collector- Emitter Voltage VCEO Max : | 600 V | Power Dissipation : | 110 W | ||
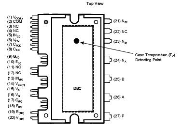
| Package / Case : | SPM27-DA | Packaging : | Tube |

|
Symbol |
Parameter | Conditions |
Rating |
Units |
|
VPN(Surge) |
Supply Voltage (Surge) | Applied between P- NA , NB1 , NB2 |
550 |
V |
|
VCES |
Collector-emitter Voltage |
600 |
V | |
|
± IC |
Each IGBT Collector Current | TC = 25°C |
50 |
A |
|
± ICP |
Each IGBT Collector Current (Peak) | TC = 25°C, Under 1ms Pulse Width |
100 |
A |
|
PC |
Collector Dissipation | TC = 25°C per One IGBT |
110 |
W |
|
TJ |
Operating Junction Temperature | (Note 1) |
- 20 ~125 |
°C |
FCAS50SN60 is an advanced smart power module for SRM drive that Fairchild has newly developed and designed to pro- vide very compact and high performance SRM motor drives mainly targeting low-power inverter-driven SRM application especially for a vacuum air cleaner. It combines optimized cir- cuit protection and drive matched to low-loss IGBTs. System reliability is further enhanced by the integrated under-voltage lock-out and short-circuit protection. The high speed built-in HVIC provides opto-coupler-less IGBT gate driving capability that further reduce the overall size of the inverter system design. In addition the incorporated HVIC facilitates the use of single-supply drive topology enabling the FCAS50SN60 to be driven by only one drive supply voltage without negative bias.
Each phase current of inverter can be monitored separately due to the divided negative dc terminals.
| Technical/Catalog Information | FCAS50SN60 |
| Vendor | Fairchild Semiconductor |
| Category | Integrated Circuits (ICs) |
| Applications | AC Motor Driver |
| Number of Outputs | 1 |
| Voltage - Supply | 13.5 V ~ 16.5 V |
| Voltage - Load | 300 V ~ 450 V |
| Current - Output | 50A |
| Operating Temperature | -20°C ~ 95°C |
| Package / Case | 27-DIP |
| Packaging | Tube |
| Drawing Number | * |
| Lead Free Status | Lead Free |
| RoHS Status | RoHS Compliant |
| Other Names | FCAS50SN60 FCAS50SN60 |