MOSFET 12V P-Channel PowerTrench
SeekIC Buyer Protection PLUS - newly updated for 2013!
268 Transactions
All payment methods are secure and covered by SeekIC Buyer Protection PLUS.
| Transistor Polarity : | P-Channel | Drain-Source Breakdown Voltage : | - 12 V | ||
| Gate-Source Breakdown Voltage : | +/- 8 V | Continuous Drain Current : | - 2.5 A | ||
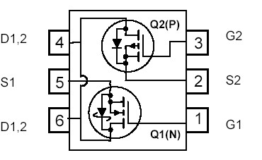
| Resistance Drain-Source RDS (on) : | 0.09 Ohms | Configuration : | Dual Common Dual Drain | ||
| Maximum Operating Temperature : | + 150 C | Mounting Style : | SMD/SMT | ||
| Package / Case : | SSOT-6 | Packaging : | Reel |

|
Symbol |
Parameter |
Ratings |
Units | ||
|
VDSS VGSS |
Drain-Source Voltage Gate-Source Voltage |
Q1 (N) |
Q2 (P) |
V V A W °C | |
|
30 ±16 2.4 7 |
12 ±8 2.5 7 | ||||
|
ID |
Drain Current Continuous Pulsed |
(Note 1a) | |||
|
PD |
Power Dissipation for Single Operation | (Note 1a) (Note 1b) | |||
| TJ,TSTG | Operating and Storage Junction Temperature Range |
1.3 0.7 55 to +150 | |||
| RJA RJC |
Thermal Resistance, Junction-to-Ambient Thermal Resistance, Junction-to-Case |
(Note 1a) (Note 1b) (Note 1) |
100 175 60 |
°C/W |
This complementary P-Channel MOSFET FDC6432SH with SyncFET has been designed specifically to improve the overall efficiency of DC/DC converters using either synchronous or conventional switching PWM controllers. It has been optimized for providing an extremely low RDS(ON) in a small package.
| Technical/Catalog Information | FDC6432SH |
| Vendor | Fairchild Semiconductor |
| Category | Discrete Semiconductor Products |
| Mounting Type | Surface Mount |
| FET Polarity | N and P-Channel |
| Drain to Source Voltage (Vdss) | 30V, 12V |
| Current - Continuous Drain (Id) @ 25° C | 2.4A, 2.5A |
| Rds On (Max) @ Id, Vgs | 90 mOhm @ 2.4A, 10V |
| Input Capacitance (Ciss) @ Vds | 270pF @ 15V |
| Power - Max | 700mW |
| Packaging | Tape & Reel (TR) |
| Gate Charge (Qg) @ Vgs | 3.5nC @ 5V |
| Package / Case | SuperSOT-6 |
| FET Feature | Logic Level Gate |
| Drawing Number | * |
| Lead Free Status | Lead Free |
| RoHS Status | RoHS Compliant |
| Other Names | FDC6432SH FDC6432SH |