IGBT Transistors 600V/20A/ SPM2
SeekIC Buyer Protection PLUS - newly updated for 2013!
268 Transactions
All payment methods are secure and covered by SeekIC Buyer Protection PLUS.
| Collector- Emitter Voltage VCEO Max : | 600 V | Collector-Emitter Saturation Voltage : | 2.3 V |
| Continuous Collector Current at 25 C : | 20 A | Gate-Emitter Leakage Current : | 59 W |
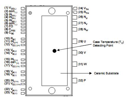
| Power Dissipation : | 59 W | Package / Case : | SPM32-AA |
| Packaging : | Tube |

| Item | Symbol | Condition | Rating | Unit |
| Supply Voltage | VPN |
Applied between P-NU,NV,NW | 450 | V |
| Supply Voltage (Surge) | VPN(Surge) |
Applied between P-NU,NV,NW | 500 | V |
| Collector-Emitter Voltage | VCES |
600 | V | |
| Each IGBT Collector Current | ±IC | TC=25 | 20 | A |
| Each IGBT Collector Current | ±IC | TC=100 | 15 | A |
| Each IGBT Collector Current (Peak) | ±ICP | TC=25 Instantaneous Value (Pulse) |
40 | A |
| Collector Dissipation | PC | TC=25 per One ChiP | 59 | W |
| Operating Junction Temperature | TJ | (Note 1) | -20 ~ 125 |
| Product | Product status | Eco Status | Pricing* | Package type | Leads | Packing method | Package Drawing | Package Marking Convention** |
|---|---|---|---|---|---|---|---|---|
| FSAM20SM60A | Full Production | RoHS Compliant | $22.00 | SPM32-AA P | 32 | RAIL | TBD | Line 1: $Y (Fairchild logo) Line 2: FSAM20SM60A Line 3: &H&E&E&E&E&E&3 |
| * Fairchild 1,000 piece Budgetary Pricing |
| ** A sample button will appear if the part is available through Fairchild's on-line samples program. If there is no sample button, please contact a Fairchild distributor to obtain samples |
Package marking information for product FSAM20SM60A is available. Click here for more information . |
| Technical/Catalog Information | FSAM20SM60A |
| Vendor | Fairchild Semiconductor |
| Category | Integrated Circuits (ICs) |
| Applications | AC Motor Driver, 3 Phase |
| Number of Outputs | 1 |
| Voltage - Supply | 13.5 V ~ 16.5 V |
| Voltage - Load | 300 V ~ 400 V |
| Current - Output | 20A |
| Operating Temperature | -20°C ~ 100°C |
| Package / Case | SPM32AA |
| Packaging | Tube |
| Lead Free Status | Lead Free |
| RoHS Status | RoHS Compliant |
| Other Names | FSAM20SM60A FSAM20SM60A |