IGBT Transistors 600V 15A SPM2
SeekIC Buyer Protection PLUS - newly updated for 2013!
268 Transactions
All payment methods are secure and covered by SeekIC Buyer Protection PLUS.
| Collector- Emitter Voltage VCEO Max : | 600 V | Collector-Emitter Saturation Voltage : | 2.8 V |
| Continuous Collector Current at 25 C : | 15 A | Package / Case : | SPM32-AA |
| Packaging : | Tube |

| Item | Symbol | Condition | Rating | Unit |
| Supply Voltage | VPN |
Applied between P- NU,NV,NW | 450 |
V |
Supply Voltage (Surge) |
VPN(Surge) |
Applied between P- NU,NV,NW | 500 | V |
Collector-Emitter Voltage |
VCES |
600 | V | |
| Each IGBT Collector Current | ±IC | T = 25 | 20 | A |
Each IGBT Collector Current |
±IC | T = 100 | 14 | A |
| Each IGBT Collector Current (Peak) | ±ICP |
T = 25 Instantaneous Value (Pulse) |
40 | A |
| Collector Dissipation | PC |
T = 25 per One Chi | 58 | 8 |
Operating Junction Temperature |
TJ |
(Note 1) | -20 ~ 125 |
| Technical/Catalog Information | FSBM15SH60 |
| Vendor | Fairchild Semiconductor |
| Category | Integrated Circuits (ICs) |
| Applications | AC Motor Driver, 3 Phase |
| Number of Outputs | 1 |
| Voltage - Supply | 13.5 V ~ 16.5 V |
| Voltage - Load | 300 V ~ 400 V |
| Current - Output | 15A |
| Operating Temperature | -20°C ~ 100°C |
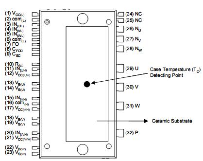
| Package / Case | SPM32AA |
| Packaging | Tube |
| Lead Free Status | Lead Free |
| RoHS Status | RoHS Compliant |
| Other Names | FSBM15SH60 FSBM15SH60 |