Motor / Motion / Ignition Controllers & Drivers 3A Smart Power Module
FSBS3CH60: Motor / Motion / Ignition Controllers & Drivers 3A Smart Power Module
SeekIC Buyer Protection PLUS - newly updated for 2013!
268 Transactions
All payment methods are secure and covered by SeekIC Buyer Protection PLUS.
US $9.13 - 12.94 / Piece
Motor / Motion / Ignition Controllers & Drivers HIGH_POWER
US $7.94 - 10.13 / Piece
Motor / Motion / Ignition Controllers & Drivers 600V 10A SMART POWER MODULE IGBT
| Product : | Fan / Motor Controllers / Drivers | Type : | Smart Power Modules |
| Operating Supply Voltage : | 20 V | Supply Current : | 100 uA |
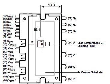
| Mounting Style : | Through Hole | Package / Case : | SPM27-BA |
| Packaging : | Tube |

| Product | Product status | Eco Status | Pricing* | Package type | Leads | Packing method | Package Drawing | Package Marking Convention** |
|---|---|---|---|---|---|---|---|---|
| FSBS3CH60 | Full Production | RoHS Compliant | $11.60 | SPM27-BA | 27 | RAIL | TBD | Line 1: $Y (Fairchild logo) Line 2: FSBS3CH60 Line 3: &H&E&E&E&3 Line 4: AA&H&3 |
| * Fairchild 1,000 piece Budgetary Pricing |
| ** A sample button will appear if the part is available through Fairchild's on-line samples program. If there is no sample button, please contact a Fairchild distributor to obtain samples |
Package marking information for product FSBS3CH60 is available. Click here for more information . |
| Symbol | Parameter | Conditions | Rating | Unit |
| VPN |
Supply Voltage | Applied between P- NU ,NV ,NW |
450 | V |
| VPN(Surge) |
Supply Voltage (Surge) | Applied between P- NU ,NV ,NW |
500 | V |
| VCES |
Collector-emitter Voltage |
600 | V | |
| ±IC | Each IGBT Collector Current | TC=25 | 3 | A |
| ±ICP | Each IGBT Collector Current (Peak) | TC=25 Under 1ms Pulse Widt | 6 | A |
| PC |
Collector Dissipation | TC=25 per One Chip | 23 | W |
| TJ | Operating Junction Temperature |
(Note 1) | -20 ~ 125 |
FSBS3CH60 is an advanced smart power module (SPMTM) that Fairchildhas newly developed and designed to provide very compactand high performance ac motor drives mainly targeting lowpowerinverter-driven application like air conditioner and washingmachine. FSBS3CH60 combines optimized circuit protection and drivematched to low-loss IGBTs. System reliability is furtherenhanced by the integrated under-voltage lock-out and shortcircuitprotection. The high speed built-in HVIC FSBS3CH60 provides optocoupler-less single-supply IGBT gate driving capability that furtherreduce the overall size of the inverter system design. Eachphase current of inverter can be monitored separately due tothe divided negative dc terminals.
| Technical/Catalog Information | FSBS3CH60 |
| Vendor | Fairchild Semiconductor |
| Category | Integrated Circuits (ICs) |
| Applications | AC Motor Driver, 3 Phase |
| Number of Outputs | 1 |
| Voltage - Supply | 13.5 V ~ 16.5 V |
| Voltage - Load | 300 V ~ 400 V |
| Current - Output | 3A |
| Operating Temperature | -20°C ~ 100°C |
| Package / Case | SPM27BA |
| Packaging | Tube |
| Lead Free Status | Lead Free |
| RoHS Status | RoHS Compliant |
| Other Names | FSBS3CH60 FSBS3CH60 |