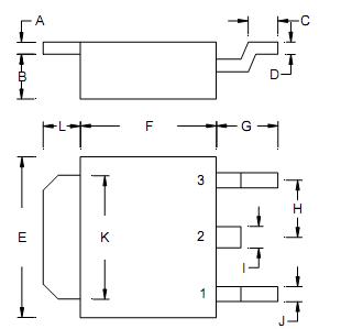
PinoutSpecifications•Input Voltage....................................................................................................................... 35 V•Total Power Dissipation (TC=25°C).................................................................. Internally limited•Op...
H7808AJ: PinoutSpecifications•Input Voltage....................................................................................................................... 35 V•Total Power Dissipation (TC...
SeekIC Buyer Protection PLUS - newly updated for 2013!
268 Transactions
All payment methods are secure and covered by SeekIC Buyer Protection PLUS.

The H7808_J series of three-terminal positive regulators are available in the TO-252 package. These regulators can provide local on-card regulation, eliminating the distribution problems associated with single point regulation. Each employs internal current limiting, thermal shut-down and safe operating area protection, making it essen-tially indestructible. If adequate heat sinking is provided, they can deliver over 1A output current. Although designed primarily as fixed voltage regulators, these devices can be used with external components to obtain adjustable voltages and currents.H7808_J is characterized for operation from 0°C to +125°C, and if operating temperature is always high, please refer to the power dissipation curve.