PinoutSpecifications Item Symbol Ratings Unit Supply Voltage VCC*1 7.0 V Input Voltage A or B VIN ±25 V Differential Input Voltage VID*2 ±25 V Enable Input Voltage VIN 7 V Output Sink Current Iout 50 mA Cont...
HD26LS32A: PinoutSpecifications Item Symbol Ratings Unit Supply Voltage VCC*1 7.0 V Input Voltage A or B VIN ±25 V Differential Input Voltage VID*2 ±25 ...
SeekIC Buyer Protection PLUS - newly updated for 2013!
268 Transactions
All payment methods are secure and covered by SeekIC Buyer Protection PLUS.

|
Item |
Symbol |
Ratings |
Unit | ||||||
|
Supply Voltage |
VCC*1 |
7.0 |
V | ||||||
|
Input Voltage A or B |
VIN |
±25 |
V | ||||||
|
Differential Input Voltage |
VID*2 |
±25 |
V | ||||||
|
Enable Input Voltage |
VIN |
7 |
V | ||||||
|
Output Sink Current |
Iout |
50 |
mA | ||||||
|
Continuous Total Dissipation |
PT |
1 |
W | ||||||
|
Operating Temperature |
Topr |
0 to +70 |
|||||||
|
Storage Temperature |
Tstg |
65 to 150 |
|||||||
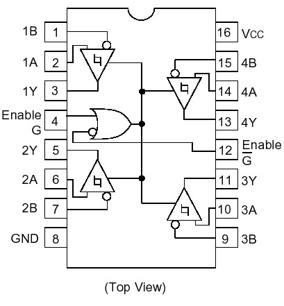
The HD26LS32A features quadruple line receivers designed to meet the specs of EIA standard RS- 422A and RS-423. HD26LS32A operates from a single 5 V power supply. The enable function is common to all four receivers and offers a choice of active high or active low input. Fail safe design ensures that if the inputs are open, the outputs will always be high.