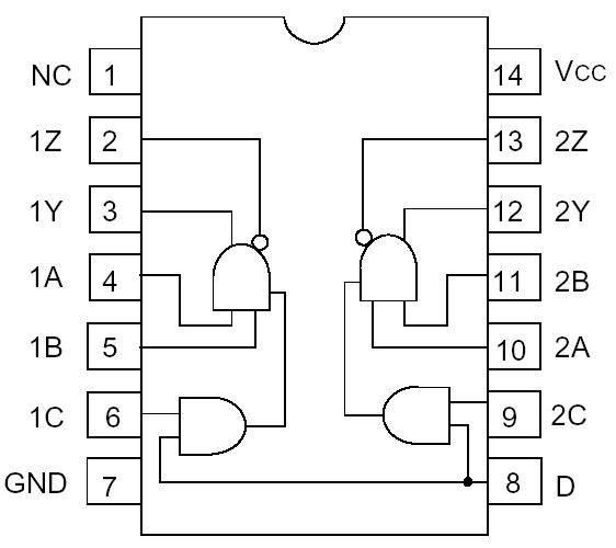
PinoutSpecifications a> Symbol Ratings Unit Supply Voltage VCC *1 7 V Input Voltage VIN 5.5 V Power Dissipation PT 1150 mW Operating Temperature Topr 0 to + 70 °C Storage Temperature Tstg 65 to +150 °CDescriptionThe HD29412 features dual differential line dr...
HD29412: PinoutSpecifications a> Symbol Ratings Unit Supply Voltage VCC *1 7 V Input Voltage VIN 5.5 V Power Dissipation PT 1150 mW Operating Temperature Topr 0 to + 70 °C ...
SeekIC Buyer Protection PLUS - newly updated for 2013!
268 Transactions
All payment methods are secure and covered by SeekIC Buyer Protection PLUS.

| Symbol | Ratings | Unit | |
| Supply Voltage | VCC *1 | 7 | V |
| Input Voltage | VIN | 5.5 | V |
| Power Dissipation | PT | 1150 | mW |
| Operating Temperature | Topr | 0 to + 70 | °C |
| Storage Temperature | Tstg | 65 to +150 | °C |