Features: ` The basic gate function is lined up as hitachi uni logic series.` Supplied on emboss taping for high speed automatic mounting.` TTL compatible control input level. Supply voltage range : 4.5 to 5.5 V Operating temperature range : 40 to +85` Control inputs VIH (Max.) = 5.5 V (@VCC = 0 V...
HD74LV1GT66A: Features: ` The basic gate function is lined up as hitachi uni logic series.` Supplied on emboss taping for high speed automatic mounting.` TTL compatible control input level. Supply voltage range :...
SeekIC Buyer Protection PLUS - newly updated for 2013!
268 Transactions
All payment methods are secure and covered by SeekIC Buyer Protection PLUS.

|
Item |
Symbol |
Ratings |
Unit |
Test Conditions |
| Supply voltage range |
VCC |
0.5 to 7.0 |
V |
|
| Input voltage range*1 |
VI |
0.5 to 7.0 |
V |
|
| Output voltage range*1, 2 |
VO |
0.5 to VCC + 0.5 |
V |
Output: H or L
|
| Input clamp current |
IIK |
20 |
mA |
VI < 0 |
| Output clamp current |
IOK |
±50 |
mA |
VO < 0 or VO > VCC |
| Continuous output current |
IO |
±25 |
mA |
VO = 0 to VCC |
| Continuous current through VCC or GND |
ICC or IGND |
±50 |
mA |
|
| Maximum power dissipation at Ta = 25(in still air)*3 |
PT |
200
|
mW |
|
| Storage temperature |
Tstg |
65 to 150 |
Notes: The absolute maximum ratings are values, which must not individually be exceeded, and furthermore no two
of which may be realized at the same time.
1. The input and output voltage ratings may be exceeded if the input and output clamp-current ratings are observed.
2. This value is limited to 5.5 V maximum.
3. The maximum package power dissipation was calculated using a junction temperature of 150.
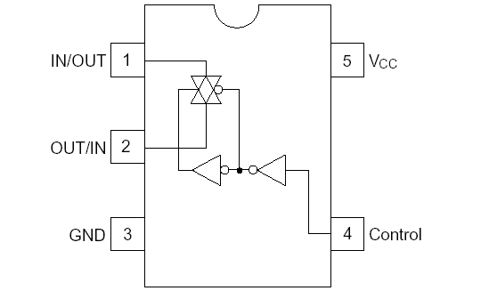
The HD74LV1GT66A has an analog switch in a 5 pin package. Switch section has its enable input control (C). High level voltage applied to C turns on the switch section. Applications of HD74LV1GT66A include signal gating, chopping, modulation or demodulation (modem), and signal multiplexing for analog to digital and digital to analog conversion systems. Low voltage and high speed operation is suitable for the battery powered products (e.g., notebook computers), and the low power consumption extends the battery life.