Features: · VCC = 2.0 V to 5.5 V· All inputs VIH (Max.) = 5.5 V (@VCC = 0 V to 5.5 V)· All outputs VOUT (Max.) = 5.5 V (@VCC = 0 V or output off state)· Typical VOL ground bounce < 0.8 V (@VCC = 3.3 V, Ta = 25°C)· Typical VOH undershoot > 2.0 V (@VCC = 3.3 V, Ta = 25°C)· High output current ...
HD74LVC541A: Features: · VCC = 2.0 V to 5.5 V· All inputs VIH (Max.) = 5.5 V (@VCC = 0 V to 5.5 V)· All outputs VOUT (Max.) = 5.5 V (@VCC = 0 V or output off state)· Typical VOL ground bounce < 0.8 V (@VCC = ...
SeekIC Buyer Protection PLUS - newly updated for 2013!
268 Transactions
All payment methods are secure and covered by SeekIC Buyer Protection PLUS.

|
Item |
Symbol |
Ratings |
Unit |
Conditions |
|
Supply voltage |
VCC |
0.5 to 6.0 |
V |
|
|
Input diode current |
IIK |
50 |
mA |
VI = 0.5 V |
|
Input voltage |
VI |
0.5 to 6.0 |
V |
|
|
Output diode current |
IOK |
50 |
mA |
VO = 0.5 V |
|
50 |
mA |
VO = VCC+0.5 V | ||
|
Output voltage |
VO |
0.5 to VCC +0.5 |
V |
Output "H" or "L" |
|
0.5 to 6.0 |
V |
Output "Z" or VCC:OFF | ||
|
Output current |
IO |
±50 |
mA |
|
|
VCC, GND current / pin |
ICC or IGND |
100 |
mA |
|
|
Storage temperature |
Tstg |
65 to +150 |
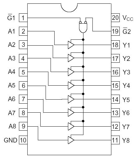
The HD74LVC541A has eight line drivers with three state outputs in a 20 pin package. When G1 and G2 is low level, this drivers set up output is enable. Low voltage and high speed operation of HD74LVC541A is suitable at the battery drive product (note type personal computer) and low power consumption extends the life of a battery for long time operation.