Features: • Encapsulated in very small 5pins package of 2.9 * 1.6 * 1.1 mm, the efficiency to mount on substrate is ignificantly improved.• The basic gate function is lined up as hitachi uni logic series.• Supplied on embos taping for high speed automatic mounting.• Electri...
HD74UH04_1260226: Features: • Encapsulated in very small 5pins package of 2.9 * 1.6 * 1.1 mm, the efficiency to mount on substrate is ignificantly improved.• The basic gate function is lined up as hitachi...
SeekIC Buyer Protection PLUS - newly updated for 2013!
268 Transactions
All payment methods are secure and covered by SeekIC Buyer Protection PLUS.

| Item | Symbol | Ratings | Unit |
| supply voltage | VCC | 0.5 to +7.0 | V |
| input voltage | VIN | 0.5 to VCC +0.5 | V |
| Output voltage | VOUT | 0.5 to VCC +0.5 | V |
| Input diode current | IIK | ±20 | mA |
| Output diode current | IOK | ±20 | mA |
| Output current | IOUT | ±25 | mA |
| VCC/GND current) | ICC, IGND | ±25 | mA |
| Power dissipation | PT | 200 | mW |
| Strage temperature | Tstg | 65 to +150 |
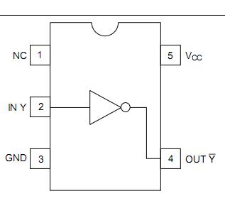
The HD74UH04 is high speed CMOS inverter using silicon gate CMOS process. With CMOS low power dissipation, it provides high speed equiralent to LS-TTL series. The HD74UH04 internal circuit of three stages construction with buffer provides wide noise margin and stable output.