Features: • 10A and 12A, 400V and 500V• VCE(ON): 2.5V Max.• TFI: 1s, 0.5ms• Low On-State Voltage• Fast Switching Speeds• High Input Impedance• No Anti-Parallel DiodePinoutSpecificationsCollector-Emitter Voltage. . . . . . . . . . . . . . . . . . . . . . . ...
HGTP10N40E1: Features: • 10A and 12A, 400V and 500V• VCE(ON): 2.5V Max.• TFI: 1s, 0.5ms• Low On-State Voltage• Fast Switching Speeds• High Input Impedance• No Anti-Paral...
SeekIC Buyer Protection PLUS - newly updated for 2013!
268 Transactions
All payment methods are secure and covered by SeekIC Buyer Protection PLUS.

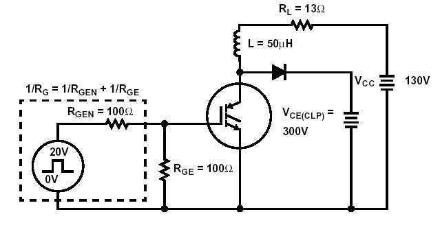
The HGTH12N40C1, HGTH12N40E1, HGTH12N50C1, HGTH12N50E1, HGTP10N40C1, HGTP10N40E1, HGTP10N50C1 and HGTP10N50E1 are n-channel enhancement-mode insulated gate bipolar transistors (IGBTs) designed for high-voltage, low on-dissipation applications such switching regulators and motor drivers. These types can be operated directly from low-power integrated circuits.