Features: Isolation: 55 dB @ 2.0 GHz42 dB @ 6.0 GHzInsertion Loss: 2.0 dB Typical @ 6.0 GHzNon-Refl ective Input/OutputHermetic Surface Mount PackageApplicationThe HMC231G7 is ideal for:• Telecom Infrastructure• Microwave Radio & VSAT• Military Radios, Radar & ECM• ...
HMC231G7: Features: Isolation: 55 dB @ 2.0 GHz42 dB @ 6.0 GHzInsertion Loss: 2.0 dB Typical @ 6.0 GHzNon-Refl ective Input/OutputHermetic Surface Mount PackageApplicationThe HMC231G7 is ideal for:• Tele...
SeekIC Buyer Protection PLUS - newly updated for 2013!
268 Transactions
All payment methods are secure and covered by SeekIC Buyer Protection PLUS.

| RF Input Power (Vctl= -5V) (0.5 - 6 GHz) |
+30 dBm (@ +50 °C) | |
| Control Voltage Range (A & B) | +1.0V to -7.5 Vdc | |
| Channel Temperature | 150°C | |
| Thermal Resistance (RTH) (junction to lead) |
94 °C/W | |
| Storage Temperature | -65 to +150 °C | |
| Operating Temperature | -55 to +85 °C | |
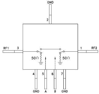
The HMC231G7 is a broadband high isolation non-refl ective GaAs MESFET SPST switch in a hermetic surface mount package. Covering DC to 6.0 GHz, the switch features >55 dB isolation up to 2 GHz and >42 dB isolation up to 6.0 GHz. The switch operates using complementary negative control voltage logic lines of -5/0V and requires no bias supply. When the "OFF" state is selected, both RF1 and RF2 ports are terminated in 50 Ohms.