Features: Low Insertion Loss: 0.7 dBNon-Refl ective DesignIntegrated 2:4 TTL DecoderSingle Positive Suppy: Vdd = +5V16 Lead Hermetic SMT PackageApplicationThe HMC244G16 is ideal for:• Telecom Infrastructure• Military Radios, Radar & ECM• Space Applications• Test Instrum...
HMC244G16: Features: Low Insertion Loss: 0.7 dBNon-Refl ective DesignIntegrated 2:4 TTL DecoderSingle Positive Suppy: Vdd = +5V16 Lead Hermetic SMT PackageApplicationThe HMC244G16 is ideal for:• Telecom ...
SeekIC Buyer Protection PLUS - newly updated for 2013!
268 Transactions
All payment methods are secure and covered by SeekIC Buyer Protection PLUS.

| Bias Voltage Range (Port Vdd) | +7.0 Vdc |
| Control Voltage Range (A & B) | -0.5V to Vdd +1 Vdc |
| Channel Temperature | 150 °C |
| Thermal Resistance (Insertion Loss Path) |
210 °C/W |
| Thermal Resistance (Terminated Path) |
250 °C/W |
| Storage Temperature | -65 to +150 °C |
| Operating Temperature | -40 to +85 °C |
| Maximum Input Power Vdd = +5 Vdc |
+20 dBm (0.05 - 0.5 GHz) +27 dBm (0.5 - 3.5 GHz) |
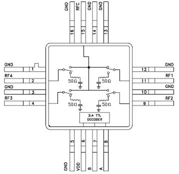
The HMC244G16 is a non-refl ective SP4T switch in a 16 lead glass/metal (hermetic) package. Covering DC to 4.0 GHz, the switch offers 30~50 dB isolation and a low insertion loss of 0.7 dB through 3 GHz. A 2:4 TTL/CMOS compatable decoder is integrated on the switch requiring only 2 control lines and a positive 5V bias to select each path, replacing 8 control lines normally required by GaAs SP4T switches.