Features: SMT mmWave PackageGain > 15 dBBroadband PerformanceSaturated Output Power: +24 dBmPositive Supply: +5V to +7VApplicationThis amplifi er is ideal for use as a power amplifi er for25.5 - 33.5 GHz applications:• LMDS• Microwave RadioPinoutSpecifications ...
HMC300LM1: Features: SMT mmWave PackageGain > 15 dBBroadband PerformanceSaturated Output Power: +24 dBmPositive Supply: +5V to +7VApplicationThis amplifi er is ideal for use as a power amplifi er for25.5 - ...
SeekIC Buyer Protection PLUS - newly updated for 2013!
268 Transactions
All payment methods are secure and covered by SeekIC Buyer Protection PLUS.
DescriptionThe HMC304MS8(E) is a passive high IP3 mixer in 8 lead plastic surface mount Mini Small...
Features: High Dynamic Range: +30 dBm IIP3No External Components or Bias RequiredLO/RF Isolation: ...

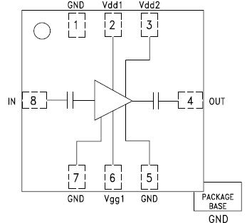
| Drain Bias Voltage (Vdd1, Vdd2) | +5.0 Vdc |
| Drain Bias Current (Idd) | 500 mA |
| Gate Bias Voltage (Vgg1) | -2.0 to +0.4 Vdc |
| RF Input Power (RFin)(Vdd = +6.0 Vdc) | +10 dBm |
| Channel Temperature | 150 °C |
| Continuous Pdiss (T = 85 °C) (derate 15.03 mW/°C above 85 °C) |
0.977 W |
| Thermal Resistance (channel to ground paddle) |
67 °C/W |
| Storage Temperature | -65 to +150 °C |
| Operating Temperature | -40 to +85 °C |
The HMC300LM1 is a broadband surface mount medium power amplifi er that operates between 25.5 and 33.5 GHz. A 0.25 um power pHEMT process is used to achieve effi cient gain and output power performance. High volume surface mount re-fl ow assembly techniques may be used to mount the amplifi er to the end user's PCB. The LM1 package eliminates the need for wire bonding or die attach mounting. The amplifi er provides 15 dB of gain and +24 dBm of saturated output power across various microwave radio bands. This millimeter wave amplifi er requires no external RF matching components and minimal DC bypass components. The HMC300LM1 amplifi er operates from a +6V Vdd and a -0.35V Vgg gate bias.