Features: High Isolation: >50 dB up to 3 GHz >45 dB up to 10 GHzLow Insertion Loss: 1.6 dB @ 10 GHzNon-Refl ective Design3 x 3 x 1 mm QFN SMT PackageApplicationThe HMC347LP3 is ideal for:• Basestation Infrastructure• Fiber Optics & Broadband Telecom• Microwave Radio &am...
HMC347LP3: Features: High Isolation: >50 dB up to 3 GHz >45 dB up to 10 GHzLow Insertion Loss: 1.6 dB @ 10 GHzNon-Refl ective Design3 x 3 x 1 mm QFN SMT PackageApplicationThe HMC347LP3 is ideal for:̶...
SeekIC Buyer Protection PLUS - newly updated for 2013!
268 Transactions
All payment methods are secure and covered by SeekIC Buyer Protection PLUS.
DescriptionThe HMC304MS8(E) is a passive high IP3 mixer in 8 lead plastic surface mount Mini Small...

| RF Input Power (Vctl = -5V) | +27 dBm |
| Control Voltage Range (A & B) | +0.5V to -7.5 Vdc |
| Channel Temperature | 150 °C |
| Thermal Resistance (Insertion Loss Path) |
440 °C/W |
| Thermal Resistance (Terminated Path) |
540 °C/W |
| Storage Temperature | -65 to +150 °C |
| Operating Temperature | -40 to +85 °C |
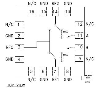
The HMC347LP3 is a broadband high isolation non-refl ective GaAs MESFET SPDT switch in a low cost leadless QFN surface mount plastic package. Covering DC to 14 GHz, the switch offers high isolation and low insertion loss. The switch features >50 dB isolation up to 3 GHz and >40 dB isolation up to 13 GHz. The HMC347LP3 switch operates using complementary negative control voltage logic lines of -5/0V and requires no bias supply. This SPDT is an excellent alternative to the HMC132C8 SPDT.