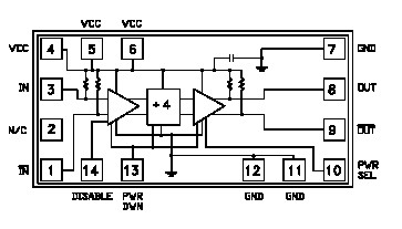
Features: ·Ultra Low SSB Phase Noise: -151 dBc/Hz·Wide Bandwidth·Output Power: 5 dBm·Single DC Supply: +5V·Small Size: 0.686 mm x 1.295 mmApplicationPrescaler for DC to Ku Band PLL Applications:• Satellite Communication Systems• Fiber Optic• Pt-Pt and Pt-MPt Radios• VSATPin...
HMC365: Features: ·Ultra Low SSB Phase Noise: -151 dBc/Hz·Wide Bandwidth·Output Power: 5 dBm·Single DC Supply: +5V·Small Size: 0.686 mm x 1.295 mmApplicationPrescaler for DC to Ku Band PLL Applications:R...
SeekIC Buyer Protection PLUS - newly updated for 2013!
268 Transactions
All payment methods are secure and covered by SeekIC Buyer Protection PLUS.
DescriptionThe HMC304MS8(E) is a passive high IP3 mixer in 8 lead plastic surface mount Mini Small...

| RF Input (Vcc= +5V) | +13dBm |
| Vcc | +5.5V |
| VLogic | Vcc -1.6V to Vcc -1.2V |
| Storage Temperature | -65 to +150 |
| Operating Temperature | -55 to +85 |