Features: +27 dBm Input IP3Low Single Input LO Drive: 0 dBm9 dB Conversion Gain12 dB Noise FigureSingle Positive Supply: +5V @ 260 mAApplicationThe HMC381LP6 is ideal for WirelessInfrastructure Applications:• GSM, GPRS & EDGE• CDMA & W-CDMA• PHS & PDCPinoutSpecificati...
HMC381LP6: Features: +27 dBm Input IP3Low Single Input LO Drive: 0 dBm9 dB Conversion Gain12 dB Noise FigureSingle Positive Supply: +5V @ 260 mAApplicationThe HMC381LP6 is ideal for WirelessInfrastructure Appl...
SeekIC Buyer Protection PLUS - newly updated for 2013!
268 Transactions
All payment methods are secure and covered by SeekIC Buyer Protection PLUS.
DescriptionThe HMC304MS8(E) is a passive high IP3 mixer in 8 lead plastic surface mount Mini Small...

| RF / IF Input (Vdd= +5V) | +13 dBm |
| LO Drive(Vdd= +5V) | +15 dBm |
| Vdd (LO or IF) | +7 Vdc |
| Channel Temperature | 150°C |
| Continuous Pdiss (T = 85°C) (derate 25.5 mW/°C above 85°C) |
1.64 W |
| Thermal Resistance (junction to ground paddle) |
39.6 °C/W |
| Storage Temperature | -65 to +150 °C |
| Operating Temperature | -40 to +85 °C |
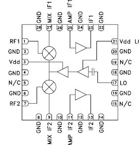
The HMC381LP6 is a high linearity Dual Down Converter Receiver IC that operates from 1.7 - 2.2 GHz and delivers a +27dBm input third order intercept point for UMTS & PHS applications. The passive mixer outputs and high dynamic range IF amplifi er inputs are positioned so that an external IF fi lter can be placed in series between them. The converter provides a gain of 9 dB and 12 dB typical single side band noise fi gure. The HMC381LP6 IC operates from a positive +5V rail consuming 260 mA of current while requiring a LO drive level of only -4 to +4 dBm. The design requires no external baluns and supports IF frequencies between 50 and 300 MHz.