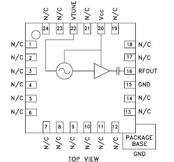
Features: Pout: +4.5 dBmPhase Noise: -115 dBc/Hz @100 KHzNo External Resonator NeededSingle Supply: 3V @ 35 mAQFN Leadless SMT Package, 16 mm2ApplicationLow noise MMIC VCO w/Buffer Amplifi er for:• Wireless Infrastructure• Industrial Controls• Test Equipment• MilitaryPinout...
HMC385LP4: Features: Pout: +4.5 dBmPhase Noise: -115 dBc/Hz @100 KHzNo External Resonator NeededSingle Supply: 3V @ 35 mAQFN Leadless SMT Package, 16 mm2ApplicationLow noise MMIC VCO w/Buffer Amplifi er for:...
SeekIC Buyer Protection PLUS - newly updated for 2013!
268 Transactions
All payment methods are secure and covered by SeekIC Buyer Protection PLUS.
DescriptionThe HMC304MS8(E) is a passive high IP3 mixer in 8 lead plastic surface mount Mini Small...

| Vcc | +3.5 Vdc |
| Vtune | 0 to +11V |
| Channel Temperature | 135 °C |
| Continuous Pdiss (T = 85°C) (derate 6.28 mW/°C above 85°C) |
565 W |
| Storage Temperature | -65 to +150 °C |
| Operating Temperature | -40 to +85 °C |