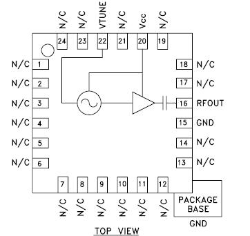
Features: Pout: +5 dBmPhase Noise: -114 dBc/Hz @100 kHzNo External Resonator NeededSingle Supply: 3V @ 35 mAQFN Leadless SMT Package, 16 mm2ApplicationLow noise MMIC VCO w/Buffer Amplifi er for:• Wireless Infrastructure• Industrial Controls• Test Equipment• MilitaryPinoutSp...
HMC386LP4: Features: Pout: +5 dBmPhase Noise: -114 dBc/Hz @100 kHzNo External Resonator NeededSingle Supply: 3V @ 35 mAQFN Leadless SMT Package, 16 mm2ApplicationLow noise MMIC VCO w/Buffer Amplifi er for:R...
SeekIC Buyer Protection PLUS - newly updated for 2013!
268 Transactions
All payment methods are secure and covered by SeekIC Buyer Protection PLUS.
DescriptionThe HMC304MS8(E) is a passive high IP3 mixer in 8 lead plastic surface mount Mini Small...

| Vcc | +3.5 Vdc |
| Vtune | 0 to +11V |
| Channel Temperature | 135 °C |
| Continuous Pdiss (T = 85°C) (derate 6.28 mW/°C above 85°C) |
175 mW |
| Thermal Resistance (RTH) (junction to package base) |
285°C/w |
| Storage Temperature | -65 to +150 °C |
| Operating Temperature | -40 to +85 °C |
The HMC386LP4 is a GaAs InGaP Heterojunction Bipolar Transistor (HBT) MMIC VCO with integrated resonator, negative resistance device, varactor diode, and buffer amplifi er. Covering 2.6 to 2.8 GHz, the VCO's phase noise performance is excellent over temperature, shock, vibration and process due to the oscillator's monolithic structure. Power output is 5 dBm typical from a single supply of 3V @ 35mA. The HMC386LP4 voltage controlled oscillator is packaged in a low cost leadless QFN 4 x 4 mm surface mount package.