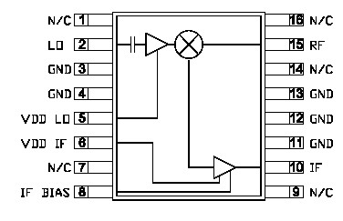
Features: ·+15 dBm Input IP3·Integrated IF & LO Amps: 0 dBm LO·Conversion Gain: 12.5 dB·Noise Figure: 13 dB·Single Positive Supply: +5V, 52 mAApplicationThe HMC420QS16 is ideal for:• GSM & CDMA Infrastructure• GPRS & EDGE Infrastructure• Wireless Data/CDPDPinoutSpecif...
HMC420QS16: Features: ·+15 dBm Input IP3·Integrated IF & LO Amps: 0 dBm LO·Conversion Gain: 12.5 dB·Noise Figure: 13 dB·Single Positive Supply: +5V, 52 mAApplicationThe HMC420QS16 is ideal for:• GSM &...
SeekIC Buyer Protection PLUS - newly updated for 2013!
268 Transactions
All payment methods are secure and covered by SeekIC Buyer Protection PLUS.
DescriptionThe HMC400MS8(E) is a high dynamic range passive MMIC mixer in plastic surface mount 8 ...
Features: Pout: -7 dBmPhase Noise: -105 dBc/Hz @100 KHz Typ.No External Resonator NeededSingle Sup...

| RF / IF Input (Vdd= +5V) | +13 dBm |
| LO Drive (Vdd= +5V) | +15 dBm |
| Vdd (LO or IF) | +7 Vdc |
| Channel Temperature | 150 |
| Continuous Pdiss (T = 85) (derate 6.34 mW/°C above 85) |
0.41 W |
| Storage Temperature | -65 to +150 |
| Operating Temperature | -40 to +85 deg |