Features: Ultra Low SSB Phase Noise: -146 dBc/HzWide Input Power Range: -15 to +10 dBmOutput Power: +3.5 dBmSingle DC Supply: +3V @ 13 mAMS8 SMT PackageApplicationPrescaler for DC to 4.0 GHz PLL Applications:• DBS/CATV Tuners• 802.11x & HiperLAN WLAN• Fixed Wireless & WLL...
HMC426MS8: Features: Ultra Low SSB Phase Noise: -146 dBc/HzWide Input Power Range: -15 to +10 dBmOutput Power: +3.5 dBmSingle DC Supply: +3V @ 13 mAMS8 SMT PackageApplicationPrescaler for DC to 4.0 GHz PLL App...
SeekIC Buyer Protection PLUS - newly updated for 2013!
268 Transactions
All payment methods are secure and covered by SeekIC Buyer Protection PLUS.
DescriptionThe HMC400MS8(E) is a high dynamic range passive MMIC mixer in plastic surface mount 8 ...
Features: Pout: -7 dBmPhase Noise: -105 dBc/Hz @100 KHz Typ.No External Resonator NeededSingle Sup...

| RF Input (Vcc = +3V) | +13 dBm |
| Vcc | +3.5V |
| Channel Temperature | 150 °C |
| Continuous Pdiss (T = 85 °C) (derate 7 mW/°C above 85 °C) |
460 mW |
| Thermal Resistance (RTH) (junction to lead) |
142 °C/W |
| Storage Temperature | -65 to +150 °C |
| Operating Temperature | -40 to +85 °C |
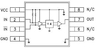
The HMC426MS8 is a low noise Divide-by-4 Static Divider utilizing SiGe technology in an 8 lead surface mount plastic package. This HMC426MS8 operates from DC (with a square wave input) to 4.0 GHz input frequency while operating from a single +3V supply at only 13 mA. The low additive SSB phase noise of -146 dBc/Hz at 100 kHz offset helps the user maintain excellent system noise performance.