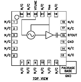
Features: ·Pout: +2 dBm·Phase Noise: -102 dBc/Hz @100 kHz·No External Resonator Needed·Single Supply: 3V @ 27 mA·16mm2 Leadless SMT PackageApplicationLow noise MMIC VCO w/Buffer Amplifi er for C-Band applications such as:• 802.11a & HiperLAN WLAN• VSAT Radios• UNII & Pt t...
HMC431LP4: Features: ·Pout: +2 dBm·Phase Noise: -102 dBc/Hz @100 kHz·No External Resonator Needed·Single Supply: 3V @ 27 mA·16mm2 Leadless SMT PackageApplicationLow noise MMIC VCO w/Buffer Amplifi er for C-Ban...
SeekIC Buyer Protection PLUS - newly updated for 2013!
268 Transactions
All payment methods are secure and covered by SeekIC Buyer Protection PLUS.
DescriptionThe HMC400MS8(E) is a high dynamic range passive MMIC mixer in plastic surface mount 8 ...
Features: Pout: -7 dBmPhase Noise: -105 dBc/Hz @100 KHz Typ.No External Resonator NeededSingle Sup...

| Vcc | +3.5Vdc |
| Vtune | 0 to+11V |
| Channel Temperature | 135 |
| Continuous Pdiss (T = 85 ) (derate 6.28 mW/ above 85 ) |
565 W |
| Storage Temperature | -65 to +150 |
| Operating Temperature | -40 to +85 |