Features: SSB Phase Noise: -153 dBc/Hz @100KHzWide BandwidthOutput Power: -1 dBmSingle DC Supply: +5V @ 80 mAMS8G SMT PackageApplicationPrescaler for DC to C Band PLL Applications:• UNII, Pt. - Pt. & VSAT Radios• 802.11a & HiperLAN WLAN• Fiber Optic• Cellular / 3G I...
HMC438MS8G: Features: SSB Phase Noise: -153 dBc/Hz @100KHzWide BandwidthOutput Power: -1 dBmSingle DC Supply: +5V @ 80 mAMS8G SMT PackageApplicationPrescaler for DC to C Band PLL Applications:• UNII, Pt. ...
SeekIC Buyer Protection PLUS - newly updated for 2013!
268 Transactions
All payment methods are secure and covered by SeekIC Buyer Protection PLUS.
DescriptionThe HMC400MS8(E) is a high dynamic range passive MMIC mixer in plastic surface mount 8 ...
Features: Pout: -7 dBmPhase Noise: -105 dBc/Hz @100 KHz Typ.No External Resonator NeededSingle Sup...

| RF Input (Vcc= +5V) | +13 bBm |
| Vcc | +5.5 Vdc |
| Maximum Channel Temperature | 135 °C |
| Continuous Pdiss (T = 85°C) (derate 11.3 mW/°C above 92°C) |
485 mW |
| Storage Temperature | -65 to +150 °C |
| Operating Temperature | -40 to +85 °C |
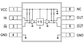
The HMC438MS8G is a low noise Divide-by-5 Static Divider utilizing InGaP GaAs HBT technology in a low cost 8 lead surface mount plastic package. This HMC438MS8G operates from DC (with a square wave input) to 7.0 GHz input frequency from a single +5.0V DC supply. The low additive SSB phase noise of -153 dBc/Hz at 100 kHz offset helps the user maintain good system noise performance.