Features: Gain: 15 dBSaturated Power: +21.5 dBm @ 27% PAESingle Supply Voltage:+5.0 V w/ Optional Gate Bias50 Ohms Matched Input/OutputLeadless SMT Package, 25mm2ApplicationThe HMC441LM1 is a medium PA for:• Point-to-Point Radios• Point-to-Multi-Point Radios• VSAT• LO Drive...
HMC441LM1: Features: Gain: 15 dBSaturated Power: +21.5 dBm @ 27% PAESingle Supply Voltage:+5.0 V w/ Optional Gate Bias50 Ohms Matched Input/OutputLeadless SMT Package, 25mm2ApplicationThe HMC441LM1 is a medium...
SeekIC Buyer Protection PLUS - newly updated for 2013!
268 Transactions
All payment methods are secure and covered by SeekIC Buyer Protection PLUS.
DescriptionThe HMC400MS8(E) is a high dynamic range passive MMIC mixer in plastic surface mount 8 ...
Features: Pout: -7 dBmPhase Noise: -105 dBc/Hz @100 KHz Typ.No External Resonator NeededSingle Sup...

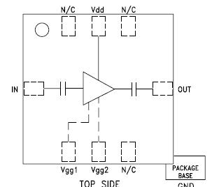
| Drain Bias Voltage (Vdd) | +6.0 Vdc |
| Gate Bias Voltage (Vgg1,Vgg2) | -8.0 to 0 Vdc |
| RF Input Power (RFin)(Vdd = +5.0 Vdc) | +20 dBm |
| Channel Temperature | 175 °C |
| Continuous Pdiss (T= 85 °C) (derate 10 mW/°C above 85 °C) |
0.9 W |
| Thermal Resistance (channel to die bottom) |
100 °C/W |
| Storage Temperature | -65 to +150 °C |
| Operating Temperature | -40 to +85 °C |