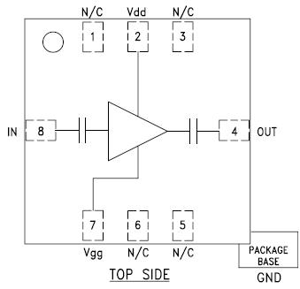
Features: Saturated Power: +23 dBm @ 27% PAEGain: 14 dBSupply Voltage: +5.0 V50 Ohm Matched Input/OutputApplicationThe HMC442LM1 is an ideal gain block or driveramp for:• Point-to-Point Radios• Point-to-Multi-Point Radios• VSATPinoutSpecifications Drain B...
HMC442LM1: Features: Saturated Power: +23 dBm @ 27% PAEGain: 14 dBSupply Voltage: +5.0 V50 Ohm Matched Input/OutputApplicationThe HMC442LM1 is an ideal gain block or driveramp for:• Point-to-Point Radios...
SeekIC Buyer Protection PLUS - newly updated for 2013!
268 Transactions
All payment methods are secure and covered by SeekIC Buyer Protection PLUS.
DescriptionThe HMC400MS8(E) is a high dynamic range passive MMIC mixer in plastic surface mount 8 ...
Features: Pout: -7 dBmPhase Noise: -105 dBc/Hz @100 KHz Typ.No External Resonator NeededSingle Sup...

| Drain Bias Voltage (Vdd) | +5.5 Vdc |
| Gate Bias Voltage (Vgg1) | -8.0 to 0 Vdc |
| RF Input Power (RFin)(Vdd = +5.0 Vdc, Idd = 85 mA) |
+20 dBm |
| Channel Temperature | 175 °C |
| Continuous Pdiss (T= 85 °C) (derate 50 mW/°C above 85 °C) |
0.491 W |
| Thermal Resistance (channel to die bottom) |
183 °C/W |
| Storage Temperature | -65 to +150 °C |
| Operating Temperature | -40 to +85 °C |