Features: +26 dBm P1dB Output PowerGain: 14 dB+30 dBm Output IP3Supply Voltage: +8.0V @ 290 mA50 Ohm Matched Input/Output25 mm2 Leadless SMT PackageApplicationThe HMC464LP5 wideband driver is ideal for:• Telecom Infrastructure• Microwave Radio & VSAT• Military EW, ECM & C...
HMC464LP5: Features: +26 dBm P1dB Output PowerGain: 14 dB+30 dBm Output IP3Supply Voltage: +8.0V @ 290 mA50 Ohm Matched Input/Output25 mm2 Leadless SMT PackageApplicationThe HMC464LP5 wideband driver is ideal ...
SeekIC Buyer Protection PLUS - newly updated for 2013!
268 Transactions
All payment methods are secure and covered by SeekIC Buyer Protection PLUS.
DescriptionThe HMC400MS8(E) is a high dynamic range passive MMIC mixer in plastic surface mount 8 ...
Features: Pout: -7 dBmPhase Noise: -105 dBc/Hz @100 KHz Typ.No External Resonator NeededSingle Sup...

| Drain Bias Voltage (Vdd) | +9.0 Vdc |
| Gate Bias Voltage (Vgg1) | -2.0 to 0 Vdc |
| Gate Bias Voltage (Vgg2) | (Vdd -8.0) Vdc to Vdd |
| RF Input Power (RFin)(Vdd = +8.0 Vdc) | +23 dBm |
| Channel Temperature | 150 °C |
| Continuous Pdiss (T= 85 °C) (derate 5.15 mW/°C above 85 °C) |
3.35 W |
| Thermal Resistance (channel to die bottom) |
19.4 °C/W |
| Storage Temperature | -65 to +150 °C |
| Operating Temperature | -40 to +85 °C |
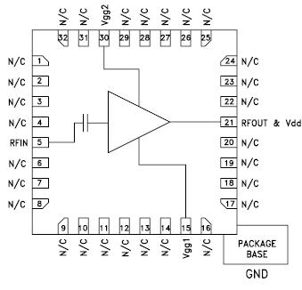
The HMC464LP5 is a GaAs MMIC PHEMT Distributed Power Amplifi er in a leadless 5 x 5 mm surface mount package which operates between 2 and 20 GHz. The amplifi er provides 14 dB of gain, +30 dBm output IP3 and +26 dBm of output power at 1 dB gain compression while requiring 290 mA from a +8V supply. Gain fl atness is good from 2 - 18 GHz making the HMC464LP5 ideal for EW, ECM and radar driver amplifi er as well as test equipment applications. The wideband amplifi er I/O's are internally matched to 50 Ohms.