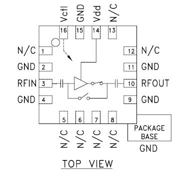
Features: ·Gain: 16 dB·Noise Figure: 2.0 dB·Single Supply: +3.0 V @ 9 mA·Integrated Bypass Mode·50 Ohm Matched Input/Output·3 x 3 x 1 mm QFN SMT PackageApplication•The HMC491LP3 is ideal for: Wireless Local Loop (WLL) Fixed Wireless Access Microwave & VSAT RadiosPinoutSpecifications ...
HMC491LP3: Features: ·Gain: 16 dB·Noise Figure: 2.0 dB·Single Supply: +3.0 V @ 9 mA·Integrated Bypass Mode·50 Ohm Matched Input/Output·3 x 3 x 1 mm QFN SMT PackageApplication•The HMC491LP3 is ideal for: ...
SeekIC Buyer Protection PLUS - newly updated for 2013!
268 Transactions
All payment methods are secure and covered by SeekIC Buyer Protection PLUS.
DescriptionThe HMC400MS8(E) is a high dynamic range passive MMIC mixer in plastic surface mount 8 ...
Features: Pout: -7 dBmPhase Noise: -105 dBc/Hz @100 KHz Typ.No External Resonator NeededSingle Sup...

| Drain Bias Voltage (Vdd) | +5.5 Vdc+7.0 Vdc |
| RF Input Power (RFin) (Vdd = +3.0 Vdc) LNA Mode Bypass Mode |
Mode Bypass Mode 0 dBm +30 dBm |
| Channel Temperature | 150 °C |
| Continuous Pdiss (T = 85 °C) (derate 1.8 mW/°C above 85 °C) |
0.117 W |
| Thermal Resistance (channel to ground paddle) |
556 °C/W |
| Storage Temperature | -65 to +150 °C |
| Storage Temperature | -40 to +85 °C |
The HMC491LP3 is a versatile, integrated, Low Noise Amplifi er (LNA) featuring a bypass mode intended for 3.4 to 3.8 GHz Fixed Wireless & WLL applications. The HMC491LP3 amplifier provides 16 dB of gain, 2 dB noise fi gure and +3 dBm input IP3 while requiring only 9 mA from a +3V supply. Using a single control line, the LNA can be switched into a low loss 2.2 dB bypass mode reducing the current consumption to 20 A. A low cost, leadless 3x3 mm QFN surface mount package (LP3) houses the amplifi er. No external RF matching components are required.