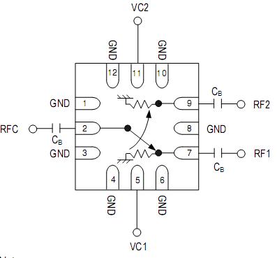
Features: ·Low Insertion Loss : 0.50 dB @ 2.7 GHz0.60 dB @ 5.8 GHz ·Isolation: 29 dB @ 2.7 GHz22 dB @ 5.8 GHz ·Low DC Power Consumption·Miniature QFN12L (3x3 mm) Plastic Lead (Pb) Free Package, RoHS Compliant ·PHEMT processPinoutSpecifications Parameter Absolute Maximum RF Input Power ...
HWS447: Features: ·Low Insertion Loss : 0.50 dB @ 2.7 GHz0.60 dB @ 5.8 GHz ·Isolation: 29 dB @ 2.7 GHz22 dB @ 5.8 GHz ·Low DC Power Consumption·Miniature QFN12L (3x3 mm) Plastic Lead (Pb) Free Package, RoHS...
SeekIC Buyer Protection PLUS - newly updated for 2013!
268 Transactions
All payment methods are secure and covered by SeekIC Buyer Protection PLUS.

| Parameter | Absolute Maximum |
| RF Input Power | +36 dBm @ +3V |
| Control Voltage | +6V |
| Operating Temperature | -40 to +85 |
| Storage Temperature | -65 to 150 |
The HWS447 is a GaAs PHEMT MMIC SPDT switch operating at DC-6 GHz in a low cost miniature QFN12L (3 x 3 mm) plastic lead (Pb) free package. It features low insertion loss and high isolation with very low DC power
consumption. This switch HWS447 can be used in WiMAX or IEEE 802.11a/b/g WLAN PC card and access point applications as transmit/receive switch, antenna diversity switch, or band-selection switch.