Features: • High sensitivity (+3dB at F5.6, +1.5dB at F1.2 compared with ICX055AK)• High saturation signal (+1dB compared with ICX055AK)• Low smear and low dark current• Excellent antiblooming characteristics• Continuous variable-speed shutter• Ye, Cy, Mg and G ...
ICX055BK: Features: • High sensitivity (+3dB at F5.6, +1.5dB at F1.2 compared with ICX055AK)• High saturation signal (+1dB compared with ICX055AK)• Low smear and low dark current• Exce...
SeekIC Buyer Protection PLUS - newly updated for 2013!
268 Transactions
All payment methods are secure and covered by SeekIC Buyer Protection PLUS.

|
Item |
Ratings | Unit | Remarks | |
|
Substrate voltage SUB GND |
0.3 to +55 | V | ||
| Supply voltage | VDD, VOUT, VSS GND | 0.3 to +18 | V | |
| VDD, VOUT, VSS SUB | 55 to +10 | V | ||
| Vertical clock input voltage | V1, V2, V3, V4 GND | 15 to +20 | V | |
| V1, V2, V3, V4 SUB | to +10 | V | ||
| Voltage difference between vertical clock input pins | to +15 | V | *1 | |
| Voltage difference between horizontal clock input pins | to +17 | V | ||
| H1, H2 V4 | 17 to +17 | V | ||
| H1, H2, RG, VGG GND | 10 to +15 | V | ||
| H1, H2, RG, VGG SUB | 55 to +10 | V | ||
| VL SUB | 65 to +0.3 | V | ||
| V1, V2, V3, V4, VDD, VOUT VL | 0.3 to +30 | V | ||
| RG VL | 0.3 to +24 | V | ||
| VGG, Vss, H1, H2 VL | 0.3 to +20 | V | ||
| Storage temperature | 30 to +80 | °C | ||
| Operating temperature | 10 to +60 | °C | ||
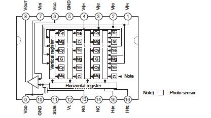
The ICX055BK is an interline CCD solid-state image sensor suitable for PAL color video cameras. Compared with the current product ICX055AK, sensitivity is improved drastically through the adoption of Super HAD CCD technology. Ye, Cy, Mg, and G
complementary color mosaic filters are used.
This chip of the ICX055BK features a field period readout system, and an electronic shutter with variable charge-storage time.