Features: • High sensitivity and low dark current• Horizontal register: 3.3 to 5.0V drive• No voltage adjustment (Reset gate and substrate bias are not adjusted.)• Low smear• Excellent antiblooming characteristics• Continuous variable-speed shutter• Ye, Cy...
ICX086AK: Features: • High sensitivity and low dark current• Horizontal register: 3.3 to 5.0V drive• No voltage adjustment (Reset gate and substrate bias are not adjusted.)• Low smear&...
SeekIC Buyer Protection PLUS - newly updated for 2013!
268 Transactions
All payment methods are secure and covered by SeekIC Buyer Protection PLUS.

|
Item |
Ratings |
Unit |
Remarks | |
| Substrate voltage SUB GND |
0.3 to +40 |
V |
||
| Supply voltage | VDD, VOUT, CGG GND |
0.3 to +18 |
V |
|
| VDD, VOUT, CGG SUB |
30 to +9 |
V |
||
| Clock input voltage |
V1, V2, V3, V4 GND |
15 to +16 |
V |
|
| V1, V2, V3, V4 SUB |
to +110 |
V |
||
| Voltage difference between vertical clock input pins |
to +15 |
V |
*1 | |
| Voltage difference between horizontal clock input pins |
to +16 |
V |
||
| H1, H2 V4 |
16 to +16 |
V |
||
| H1, H2 GND |
10 to +15 |
V |
||
| H1, H2 SUB |
55 to +10 |
V |
||
| VL SUB |
65 to +0.3 |
V |
||
| V1, V3, VDD, VOUT VL |
0.3 to +20.5 |
V |
||
| RG GND |
0.3 to +22.5 |
V |
||
| V2, V4, CGG, H1, H2, GND VL |
0.3 to +17.5 |
V |
||
| Storage temperature |
30 to +80 |
|||
| Operating temperature |
10 to +60 |
|||
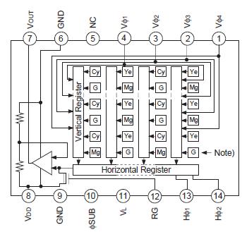
The ICX086AK is an interline CCD solid-state image sensor suitable for NTSC color video cameras. High sensitivity is achieved through the use of Ye, Cy, Mg,and G complementary color mosaic filters and through the adoption of HAD (Hole-Accumulation Diode) sensors.
This chip features a field period readout system and an electronic shutter with variable charge-storage time.
The package of the ICX086AK is a 10mm-square 14-pin DIP (Plastic).